04MX加装内置锂电池

乐之邦产品交流

版主: 客服六号

回复
57985738@qq.com
帖子: 2
注册时间: 19 1月 2018, 14:49

04MX加装内置锂电池

帖子 57985738@qq.com » 25 12月 2019, 20:51

废话不说,上图。
附件
IMG_20191221_200920.jpg
IMG_20191221_200920.jpg (2.59 MiB) 查看 1380 次

客服六号
网站管理员
帖子: 8909
注册时间: 15 1月 2017, 21:20

Re: 04MX加装内置锂电池

帖子 客服六号 » 25 12月 2019, 20:52

:D 点赞!

57985738@qq.com
帖子: 2
注册时间: 19 1月 2018, 14:49

Re: 04MX加装内置锂电池

帖子 57985738@qq.com » 26 12月 2019, 14:16

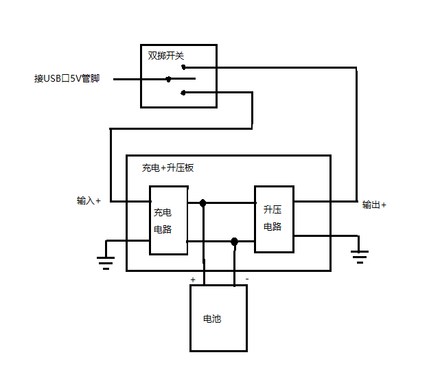
原理图
附件
04mx.png
04mx.png (11.7 KiB) 查看 1352 次

clark8888
帖子: 136
注册时间: 24 6月 2016, 21:46

Re: 04MX加装内置锂电池

帖子 clark8888 » 28 12月 2019, 06:48

有必要折腾吗

拖鞋ioi
帖子: 269
注册时间: 25 6月 2016, 21:58

Re: 04MX加装内置锂电池

帖子 拖鞋ioi » 28 12月 2019, 15:07

支持一下!

gmm8
帖子: 30
注册时间: 12 10月 2016, 13:20

Re: 04MX加装内置锂电池

帖子 gmm8 » 29 12月 2019, 21:33

折腾是一种乐趣

回复

在线用户

用户浏览此论坛: 没有注册用户 和 1 访客